Lige Samler
Parker Ermeto Lige Samler – Pålidelig forbindelse til hydrauliske systemer
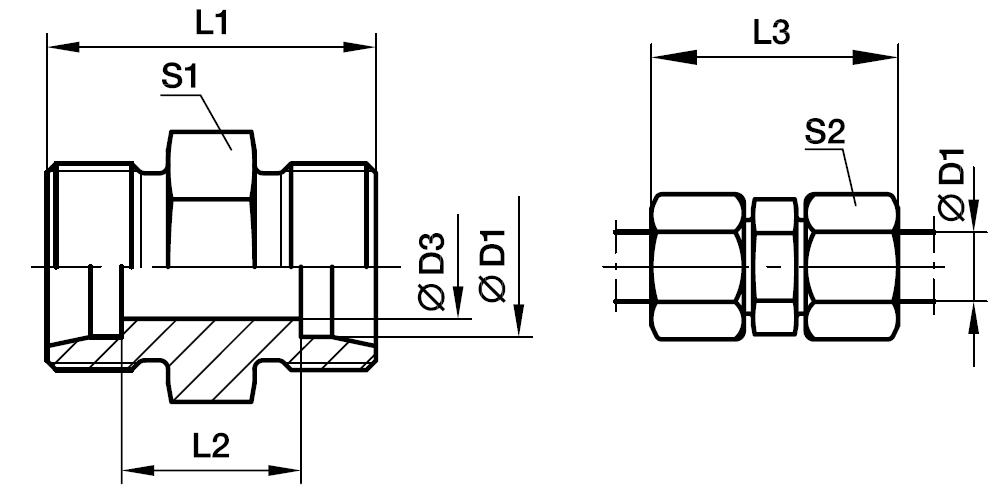
Parker Ermeto lige samler er en høj-kvalitets adapter, der bruges til at forbinde hydrauliske slanger og rør i industrielle anvendelser. Smleren er designet med metrisk gevind og Han-form (mandlig t...
Fitting ends
| # | Endetype | Endeform | Gevind | Tætning |
|---|---|---|---|---|
| 1 | DIN - Metrisk | Han | Metrisk | Udkravning |
| 2 | DIN - Metrisk | Han | Metrisk | Udkravning |
Fitting data
| Form | Lige |
|---|
| Materialer | Messing, Rustfrit Stål, Stål |
|---|---|
| Trykserier | LL, L, S |
| Størrelser (mm) | 4 - 42 mm |
| Samlingskombination | Rør-til-Rør |
| Produktklassifisering | Hydraulik |
| Produktkategori | Fittings |
| Produktgruppe | Hydraulik Fittings |
| Produktprogram | DIN Metrisk |
EO-2 Animation
| Info | SKU | Supplier Item Number | Tilgængelighed |
Ende 1 Rørstørrelser
|
Ende 1 trykseries
|
Ende 1 Gevindstørrelse
|
Ende 1 Gevindtype
|
End 1 - Sealing
|
Ende 2 Rørstørrelser
|
Ende 2 trykseries
|
Ende 2 Gevindstørrelse
|
Ende 2 Gevindtype
|
End 2 - Sealing
|
Skæreringstype
|
Fitting komplethed
|
Materiale
|
Overfladebehandling
|
Oprindelsesland
|
TariffNumber
|
Vægt
|
L2
|
S1
|
Price | Favorit | Sort Order | ||
|---|---|---|---|---|---|---|---|---|---|---|---|---|---|---|---|---|---|---|---|---|---|---|---|---|---|---|---|